

No. | Name | Description |
|---|---|---|
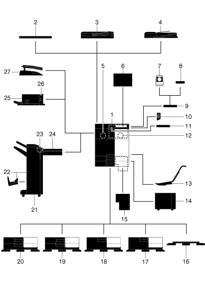
1 | Main unit | Scans the original in the scanner section, and prints a scanned image in the printer section. This unit is referred to as "this machine" or "the main unit" in the manual. |
2 | Original Cover OC-511 | Used to fix the loaded originals. This is referred to as Original Cover in the manual. |
3 | Reverse Automatic Document Feeder DF-632 | Automatically feeds and scans originals by page. This unit also reverses and automatically scans 2-sided originals. This unit is referred to as ADF in the manual. |
4 | Reverse Automatic Document Feeder DF-714 | Automatically feeds and scans originals by page. This unit scans a 2-sided original by only requiring the paper be fed into the machine once without reversing. This unit is referred to as ADF in the manual. |
5 | Fax Kit FK-514 | Used to operate this machine as a fax machine. Alternatively, this kit allows more telephone lines to be connected. |
6 | Clean Unit CU-102 | Collects small particles (UFP) generated in this machine to prevent them from escaping this machine. |
7 | Authentication Unit AU-102 | Performs user authentication by scanning vein patterns in the finger. The Working Table WT-506 is required to install the Authentication Unit AU-102. This unit is referred to as Biometric Authentication Unit in the manual. |
8 | Authentication Unit AU-201S | Performs user authentication by scanning information recorded on the IC card or NFC-compatible Android terminal. The Mount Kit MK-735 is required to install the Authentication Unit AU-201S. This unit can also be installed on the Working Table WT-506. This unit is referred to as IC Card Authentication Unit in the manual. |
9 | Working Table WT-506 | Provides an area to temporarily place an original or other materials. This is also used when the Authentication Unit AU-102 or Authentication Unit AU-201S is installed. |
10 | Keypad KP-102 | It is equipped on the side of the Control Panel. Allows you to operate this machine or enter a number by using hardware keys. |
11 | Keyboard Holder KH-102 | Install this holder to use a external keyboard. For details on external keyboards, contact your service representative. |
12 | Security Kit SC-509 | Supports the copy guard and password copy functions to prevent unauthorized copying. |
13 | Mount Kit MK-730 | Used to print data on banner paper. This unit is referred to as Banner Paper Loading Guide in the manual. |
14 | Large Capacity Unit LU-302 | Allows you to load up to 3000 sheets of 8-1/2 11 (A4) size. This unit is referred to as a Large Capacity Unit in the manual. To install the Large Capacity Unit LU-302, the Paper Feed Cabinet PC-116, PC-216, or PC-416 must be installed on this machine. |
15 | Image Controller IC-420 | Provides the high-quality printing result. Video Interface Kit VI-516 and Upgrade Kit UK-115 are required to install Image Controller IC-420. In addition, the Paper Feed Cabinet PC-116, PC-216, or PC-416 or Desk DK-516 must be installed on this machine. |
16 | Desk DK-705 | Used to install this machine on the floor. This unit is referred to as Desk in the manual. |
17 | Desk DK-516 | Used to install this machine on the floor. This unit is referred to as Desk in the manual. |
18 | Paper Feed Cabinet PC-416 | Allows you to load up to 2500 sheets of 8-1/2 11 (A4) size. This unit is referred to as LCT (built-in) in the manual. |
19 | Paper Feed Cabinet PC-216 | Allows you to load up to 500 sheets respectively in the top and bottom trays. This unit is referred to as Double Paper Feed Cabinet in the manual. |
20 | Paper Feed Cabinet PC-116 | Allows you to load up to 500 sheets in the top tray and use the bottom tray as a storage box. This unit is referred to as Single Paper Feed Cabinet in the manual. |
21 | Finisher FS-536 | Sorts, groups and staples printed paper before outputting it. To install the Finisher FS-536, the Relay Unit RU-513 is required. In addition, the Paper Feed Cabinet PC-116, PC-216, or PC-416 or Desk DK-516 must be installed on this machine. |
22 | Finisher FS-536 SD | Sorts, groups, staples, folds, and binds printed paper before outputting it. To install the Finisher FS-536 SD, the Relay Unit RU-513 is required. In addition, the Paper Feed Cabinet PC-116, PC-216, or PC-416 or Desk DK-516 must be installed on this machine. The Finisher FS-536 contains the Saddle Stitcher. |
23 | Punch Kit PK-520 | Install this unit onto the Finisher FS-536/FS-536 SD. This unit supports the punching function. |
24 | Relay Unit RU-513 | This unit is required to install the Finisher FS-536/FS-536 SD on this machine. |
25 | Finisher FS-533 | Install this unit onto the output tray of this machine. Sorts, groups and staples printed paper before outputting it. |
26 | Punch Kit PK-519 | Install this unit onto the Finisher FS-533. This unit supports the punching function. |
27 | Job Separator JS-506 | Install this unit onto the output tray of this machine. This unit sorts printed sheets. This unit is referred to as Job Separator in the manual. |
The following options are built into this machine and are not shown in the figure.
No. | Name | Description |
|---|---|---|
1 | Stamp Unit SP-501 | Stamps a scanned original when sending a fax. This unit allows you to check that the original has been scanned. |
2 | Spare TX Marker Stamp 2 | A replacement stamp for the Stamp Unit SP-501. |
3 | Local Interface Kit EK-608 | Install this unit when using the voice guidance function. The speaker and USB port are added. This unit is referred to as the Local Interface Kit in the manual. |
4 | Local Interface Kit EK-609 | Install this unit when using the voice guidance function or the connection function with a Bluetooth LE-compatible iOS terminal. The speaker, USB port, and receiving device for Bluetooth LE communication are added. This unit is referred to as Local Interface Kit or Local Interface Kit (voice guidance / Bluetooth LE compatible). |
5 | Video Interface Kit VI-516 | This unit is required to install Image Controller IC-420. |
6 | Upgrade Kit UK-115 | Required to connect Video Interface Kit VI-516 to this machine. |
7 | i-Option LK-102 v3 | Allows you to add the PDF processing function. |
8 | i-Option LK-104 v3 | Allows you to add the voice guidance function. |
9 | i-Option LK-105 v4 | Allows you to add the searchable PDF function. |
10 | i-Option LK-106 | Used to add a bar code font that is one of special fonts. |
11 | i-Option LK-107 | Used to add a unicode font that is one of special fonts. |
12 | i-Option LK-108 | Used to add an OCR font that is one of special fonts. In the standard, the OCR-B font (PostScript) is available. Installing this option allows a use of the OCR-A font (PCL). |
13 | i-Option LK-110 v2 | Allows you to convert a file into the DOCX or XLSX type or generate a high functionality and the high-quality data generation function. This option includes the function licenses for i-Option LK-102 v3 and i-Option LK-105 v4. To purchase this option, you do not need to purchase i-Option LK-102 v3 and i-Option LK-105 v4. For details about functions able to be added, refer to Here. |
14 | i-Option LK-111 | Allows you to add the ThinPrint function. |
15 | i-Option LK-114 | Allows you to add the serverless pull printing function. |
16 | i-Option LK-115 v2 | Allows you to add TPM (Trusted Platform Module). Security enhancement is realized by encrypting confidential information such as certificates and passwords of this machine. |
17 | i-Option LK-116 | Allows you to add the virus scan function. |
18 | Upgrade Kit UK-221 | Allows you to use this machine in a wireless network environment. This unit is referred to as the Wireless LAN Interface Kit in the manual. |
19 | Heater HT-509 | Prevents paper in a paper tray from being affected by humidity. The Heater HT-509 can be mounted when you purchase the Paper Feed Cabinet PC-116, PC-216, or PC-416. |
20 | Transformer kit TK-101 | This unit is required to enable the function Heater of the Large Capacity Unit LU-302 to function. |
21 | Power Supply BOX MK-734 | Used to turn Heater HT-509 operations on or off. The Power Supply BOX MK-734 can be mounted when you purchase the Paper Feed Cabinet PC-116, PC-216, or PC-416 or Desk DK-516. |
22 | Mount Kit MK-735 | Required to have Authentication Unit AU-201S built in to the main unit. |
The illustration shows the main unit with Reverse Automatic Document Feeder DF-714, and Paper Feed Cabinet PC-416.

No. | Name | Description |
|---|---|---|
1 | Paper-Empty Indicator | Flashes in orange when a tray runs low on paper, and lights up when a paper-out occurs. |
2 | LCT (built-in) | Allows you to load up to 2500 sheets of plain paper. For details on the available paper, refer to Here. |
The illustration shows the main unit with Paper Feed Cabinet PC-216 or Paper Feed Cabinet PC-116, and Reverse Automatic Document Feeder DF-714.

No. | Name | Description |
|---|---|---|
3 | Bottom Right Door | Open this door when clearing a paper jam in the Tray 3 or Tray 4 transport unit. |
4 | Bottom Right Door Release Lever | Used to lock the Bottom Right Door. |
5 | Tray 3 | Allows you to load up to 500 sheets of plain paper. For details on the available paper, refer to Here. |
6 | Tray 4/Storage Box | Used as a Storage Box when installing Single Paper Feed Cabinet. This box allows you to load up to 500 sheets of plain paper when Double Paper Feed Cabinet is installed. For details on the available paper, refer to Here. |
The illustration shows the main unit with Reverse Automatic Document Feeder DF-714, Paper Feed Cabinet PC-216, Fax Kit FK-514, Power Supply BOX MK-734, and Clean Unit CU-102.

No. | Name | Description |
|---|---|---|
1 | Heater Power Switch | Used to turn Heater operations on or off. This function prevents paper from being affected by humidity when the power is turned on. The Heater is available when you purchase Paper Feed Cabinet PC-116, PC-216, or PC-416, Large Capacity Unit LU-302, or Desk DK-516. To use the Large Capacity Unit LU-302, the Transformer kit TK-101 is required separately. |
2 | Jack for connecting a telephone (TEL PORT1) | Used to connect a telephone cord. Connect the cord to this connector even when using multiple lines. |
3 | Telephone Jack 1 (LINE PORT1) | Used to connect a general telephone subscriber line. Connect the cord to this connector when using only one telephone line. |
4 | Telephone Jack 2 (LINE PORT2) | Used to connect a general telephone subscriber line. |